300W trafo z osciloskopu EMG
- [6.11. 2025]Smazat/ Upravit/ Topovat










Funkční 300W trafo z osciloskopu EMG -1555 Type TR-4653.
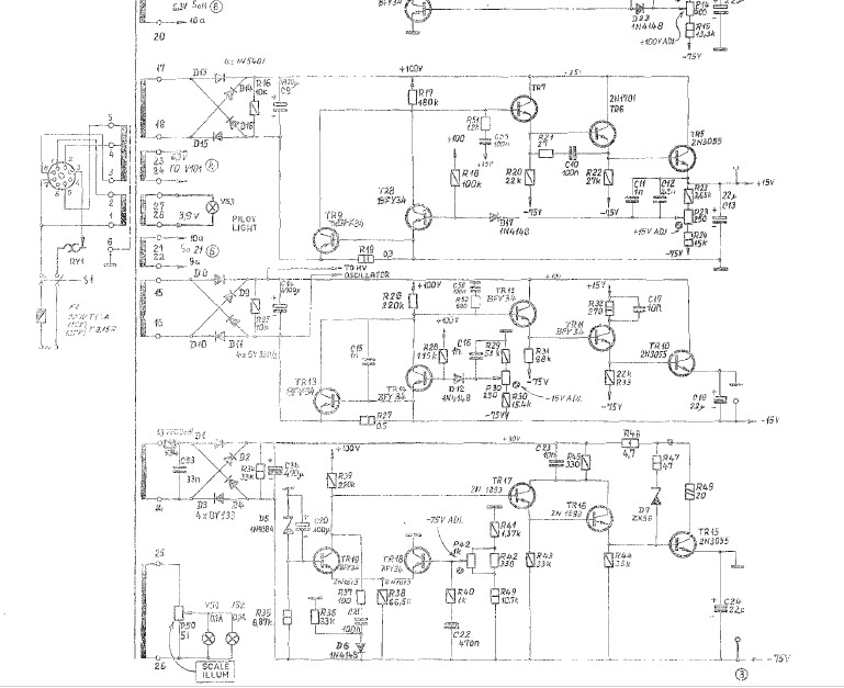
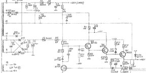
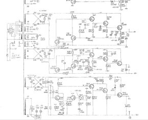
Na posledních obrázcích je schéma zdroje osciloskopu, z těch lze vyčíst hodnoty trafa. Trafo váži 6kg.
Platba při předání v Praze, mimo Prahu po domluvě mohu zaslat na dobírku zásilkovnou na výdejní místo.
Balné a zaslání do 5kg v hodnotě zboží do 500,--Kč činí 150,--Kč, nad 500,--Kč zaslání 115,--Kč. Zaslání do SK +20,--Kč.
Zásilky o váze nad 5kg - balné a zaslání na dobírku do ČR činí 160,--Kč, do SK 220,--Kč.
Na posledních obrázcích je schéma zdroje osciloskopu, z těch lze vyčíst hodnoty trafa. Trafo váži 6kg.
Platba při předání v Praze, mimo Prahu po domluvě mohu zaslat na dobírku zásilkovnou na výdejní místo.
Balné a zaslání do 5kg v hodnotě zboží do 500,--Kč činí 150,--Kč, nad 500,--Kč zaslání 115,--Kč. Zaslání do SK +20,--Kč.
Zásilky o váze nad 5kg - balné a zaslání na dobírku do ČR činí 160,--Kč, do SK 220,--Kč.
|
| |||||||||||||||||||||||||||||||
Kontaktovat inzerenta emailem
Kontaktovat emailem může pouze ověřený uživatel.
Ověření je zdarma.
Vaše telefonní číslo *
Kontaktovat emailem může pouze ověřený uživatel.
Ověření je zdarma.
Vaše telefonní číslo *